PC Audio Verstärker


PAS10 Leistungsverstärker

PAS 10 Audio


Vorverstärker

RIAA Vorverstärker

Mikrofonvorverstärker

Hochpegel-Vorverstärker


Signalverarbeitung

4-fach Umschalter

Klang/Lautstärke


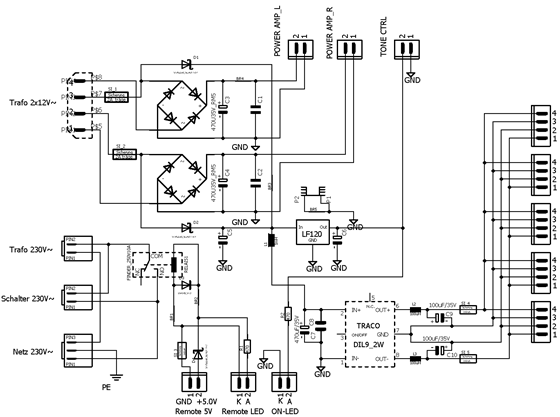
Spannungsversorgung

PC Audio Versorgung

Spannungsversorgung